• О Компании
  • Оплата и Доставка
  • Помощь
  • Обратная связь
  • Контакты
  • Telegram
  • ВКонтакте
  • Telegram
  • ВКонтакте
  • Регистрация
  • Авторизация
Интернет магазин мотозапчастей PartsFor.ru
Москва и регионы России
  • Личный кабинет
    • Заказы
    • Оплаты
    • Отгрузки
    • Сообщения
    • Профиль
    • Выход
  • Оригинальные запчасти
    • Для мотоциклов
    • Yamaha
    • Honda
    • Suzuki
    • Kawasaki
    • Harley Davidson
    • Ducati
    • Can-Am
    • Aprilia
    • BMW
    • Triumph
    • Husaberg
    • Husqvarna
    • KTM
    • Indian
    • Victory
    • Slingshot
    • Для мотоциклов
    • Для квадроциклов
    • Для снегоходов
    • Для мотовездеходов
    • Для гидроциклов
    • Для лодочных моторов
    • Для катеров
    • Для судовых двигателей
    • Для генераторов
    • Для квадроциклов
    • Yamaha
    • Honda
    • Suzuki
    • Kawasaki
    • Arctic Cat
    • Can-Am
    • Polaris
    • KTM
    • Для снегоходов
    • Yamaha
    • Arctic Cat
    • Lynx
    • Ski-Doo
    • Polaris
    • Для генераторов
    • Для мотовездеходов
    • Yamaha
    • Honda
    • Suzuki
    • Kawasaki
    • Arctic Cat
    • Can-Am
    • Polaris
    • Polaris RZR
    • Для гидроциклов
    • Yamaha
    • Honda Marine
    • Kawasaki
    • Arctic Cat
    • Polaris
    • Sea-Doo
    • Для лодочных моторов
    • Для катеров
    • Для суд. двигателей
    • Для генераторов
    • Для лодочных моторов
    • Yamaha
    • Honda Marine
    • Suzuki Marine
    • Evinrude
    • Johnson
    • Nissan
    • Tohatsu
    • Mercury
    • Force
    • Mariner
    • Для катеров
    • Yamaha
    • Sea-Doo
    • Для суд. двигателей
    • Для спецтехники
  • Неоригинал, расходники
  • Заказ по каталогам
    • КАТАЛОГ PARTS UNLIMITED
  • Моторезина
  1. Главная
  2. Запчасти для квадроциклов
  3. Can-Am (Bombardier)
  4. 2002
  5. Traxter Autoshift

Traxter Autoshift (2002)

Оригинальные запчасти для квадроциклов Can-Am (Bombardier)

Выбор узла

Traxter Autoshift (2002)
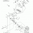
  • Traxter Autoshift Clutch housing and cover
    Clutch housing and cover
  • Traxter Autoshift Коробка передач
    Коробка передач
  • Traxter Autoshift Система охлаждения
    Система охлаждения
  • Traxter Autoshift Трансмиссия
    Трансмиссия
  • Traxter Autoshift Картер
    Картер
  • Traxter Autoshift Тормоза
    Тормоза
  • Traxter Autoshift Crankshaft, pistons and cylinder
    Crankshaft, pistons and cylinder
  • Traxter Autoshift Передняя подвеска
    Передняя подвеска
  • Traxter Autoshift Глушитель
    Глушитель
  • Traxter Autoshift Рулевое управление
    Рулевое управление
  • Traxter Autoshift Система воздухо-забора
    Система воздухо-забора
  • Traxter Autoshift Задняя подвеска
    Задняя подвеска
  • Traxter Autoshift Карбюратор
    Карбюратор
  • Traxter Autoshift Кузовные детали
    Кузовные детали
  • Traxter Autoshift Топливный бак
    Топливный бак
  • Traxter Autoshift Наклейки
    Наклейки
  • Traxter Autoshift Ignition and water pump
    Ignition and water pump
  • Traxter Autoshift Frame and luggage racks
    Frame and luggage racks
  • Traxter Autoshift Rewind starter, electric starter
    Rewind starter, electric starter
  • Traxter Autoshift Front tray
    Front tray
  • Traxter Autoshift Сцепление
    Сцепление
  • Traxter Autoshift Сидение
    Сидение
  • Traxter Autoshift Привод колес передний
    Привод колес передний
  • Traxter Autoshift АКБ и электрические акссесуары
    АКБ и электрические акссесуары
  • Traxter Autoshift Привод колес задний
    Привод колес задний
  • Traxter Autoshift Main harness and electrical accessories
    Main harness and electrical accessories


  Информация
  • Новости
  • О Компании
  • Оплата и Доставка
  • Помощь
  • Обратная связь
  • Контакты
  OEM запчасти
  • Запчасти для мотоциклов
  • Запчасти для квадроциклов
  • Запчасти для снегоходов
  • Запчасти для мотовездеходов
  • Запчасти для гидроциклов
  • Запчасти для лодочных моторов
  Наши контакты
  • ИП Зуев Артем Павлович
  • г. Москва 2-я Хуторская улица, д.29, офис 214
  • Email: info@partsfor.ru

Тел: ‎8(495) 532-03-60
8(909) 958-46-33; 8(925) 200-16-98

* все разговоры записываются
С 10.00 до 19.00 ПН - ПТ

© 2026 Интернет магазин запчастей для мототехники ПартсФор.

  • PaymentGateway
  • PaymentGateway
Договор-оферта
Образец договора для юр.лиц
Пользовательское соглашение
Политика конфиденциальности

Товар добавлен в корзину

Выбранный товар добавлен в Вашу корзину.
Далее Вы можете перейти в корзину для оформления заказа или закрыть это окно и продолжить покупки.

Перейти в корзину

Выбор модели техники

Выбрать