• О Компании
  • Оплата и Доставка
  • Помощь
  • Обратная связь
  • Контакты
  • Telegram
  • ВКонтакте
  • Telegram
  • ВКонтакте
  • Регистрация
  • Авторизация
Интернет магазин мотозапчастей PartsFor.ru
Москва и регионы России
  • Личный кабинет
    • Заказы
    • Оплаты
    • Отгрузки
    • Сообщения
    • Профиль
    • Выход
  • Оригинальные запчасти
    • Для мотоциклов
    • Yamaha
    • Honda
    • Suzuki
    • Kawasaki
    • Harley Davidson
    • Ducati
    • Can-Am
    • Aprilia
    • BMW
    • Triumph
    • Husaberg
    • Husqvarna
    • KTM
    • Indian
    • Victory
    • Slingshot
    • Для мотоциклов
    • Для квадроциклов
    • Для снегоходов
    • Для мотовездеходов
    • Для гидроциклов
    • Для лодочных моторов
    • Для катеров
    • Для судовых двигателей
    • Для генераторов
    • Для квадроциклов
    • Yamaha
    • Honda
    • Suzuki
    • Kawasaki
    • Arctic Cat
    • Can-Am
    • Polaris
    • KTM
    • Для снегоходов
    • Yamaha
    • Arctic Cat
    • Lynx
    • Ski-Doo
    • Polaris
    • Для генераторов
    • Для мотовездеходов
    • Yamaha
    • Honda
    • Suzuki
    • Kawasaki
    • Arctic Cat
    • Can-Am
    • Polaris
    • Polaris RZR
    • Для гидроциклов
    • Yamaha
    • Honda Marine
    • Kawasaki
    • Arctic Cat
    • Polaris
    • Sea-Doo
    • Для лодочных моторов
    • Для катеров
    • Для суд. двигателей
    • Для генераторов
    • Для лодочных моторов
    • Yamaha
    • Honda Marine
    • Suzuki Marine
    • Evinrude
    • Johnson
    • Nissan
    • Tohatsu
    • Mercury
    • Force
    • Mariner
    • Для катеров
    • Yamaha
    • Sea-Doo
    • Для суд. двигателей
    • Для спецтехники
  • Неоригинал, расходники
  • Заказ по каталогам
    • КАТАЛОГ PARTS UNLIMITED
  • Моторезина
  1. Главная
  2. Запчасти для квадроциклов
  3. Arctic Cat
  4. 2011
  5. 700
Уважаемые покупатели оригинальных запчастей для техники ARCTIC CAT!
Сроки поставки запчастей марки ARCTIC CAT сейчас нормализовались и сравнимы со сроками поставки запчастей других американских марок. Однако у дилеров этой марки возможны сообщения про отказы и бэк-ордеры с большой задержкой – до месяца. Мы предупреждаем вас об этой особенности работы дилеров, приносим вам извинения за это неудобство и уверяем вас, что никак не можем повлиять на этот момент. Учитывайте пожалуйста это при заказе деталей!

700 (2011)

Оригинальные запчасти для квадроциклов Arctic Cat

Выбор узла

700 (2011)
  • 700 Воздухозаборник
    Воздухозаборник
  • 700 Руль
    Руль
  • 700 АКБ и стартер
    АКБ и стартер
  • 700 Гидравлический тормозной механизм
    Гидравлический тормозной механизм
  • 700 Цепь ГРМ
    Цепь ГРМ
  • 700 Панель приборов
    Панель приборов
  • 700 Корпус и патрубки охлаждения
    Корпус и патрубки охлаждения
  • 700 Магнето
    Магнето
  • 700 Крышки сцепления ,ремня и магнето
    Крышки сцепления ,ремня и магнето
  • 700 Масляный насос и фильтр
    Масляный насос и фильтр
  • 700 Охлаждение
    Охлаждение
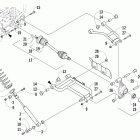
  • 700 Задний привод редуктор
    Задний привод редуктор
  • 700 Балансирный вал
    Балансирный вал
  • 700 Задний багажник ,крыло и подножки
    Задний багажник ,крыло и подножки
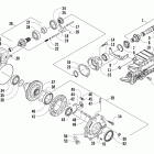
  • 700 Блок цилиндров
    Блок цилиндров
  • 700 Подвеска задняя
    Подвеска задняя
  • 700 Коленчатый вал и поршни
    Коленчатый вал и поршни
  • 700 Сидение
    Сидение
  • 700 Блок цилиндров
    Блок цилиндров
  • 700 Вторичный привод в сборе
    Вторичный привод в сборе
  • 700 Вал привода
    Вал привода
  • 700 Рычаг переключения
    Рычаг переключения
  • 700 Двигатель и глушитель
    Двигатель и глушитель
  • 700 Бендикс стартера
    Бендикс стартера
  • 700 Рама ,бампера и защита
    Рама ,бампера и защита
  • 700 Задний фональ
    Задний фональ
  • 700 Передний редуктор
    Передний редуктор
  • 700 Дроссельная заслонка
    Дроссельная заслонка
  • 700 Передний багажник крыло и фара
    Передний багажник крыло и фара
  • 700 Трансмиссия
    Трансмиссия
  • 700 Подвеска передняя
    Подвеска передняя
  • 700 Водяной насос
    Водяной насос
  • 700 Топливный бак
    Топливный бак
  • 700 Колеса и покрышки
    Колеса и покрышки
  • 700 Вилки переключения передач
    Вилки переключения передач
  • 700 Жгут проводов
    Жгут проводов


  Информация
  • Новости
  • О Компании
  • Оплата и Доставка
  • Помощь
  • Обратная связь
  • Контакты
  OEM запчасти
  • Запчасти для мотоциклов
  • Запчасти для квадроциклов
  • Запчасти для снегоходов
  • Запчасти для мотовездеходов
  • Запчасти для гидроциклов
  • Запчасти для лодочных моторов
  Наши контакты
  • ИП Зуев Артем Павлович
  • г. Москва 2-я Хуторская улица, д.29, офис 214
  • Email: info@partsfor.ru

Тел: ‎8(495) 532-03-60
8(909) 958-46-33; 8(925) 200-16-98

* все разговоры записываются
С 10.00 до 19.00 ПН - ПТ

© 2026 Интернет магазин запчастей для мототехники ПартсФор.

  • PaymentGateway
  • PaymentGateway
Договор-оферта
Образец договора для юр.лиц
Пользовательское соглашение
Политика конфиденциальности

Товар добавлен в корзину

Выбранный товар добавлен в Вашу корзину.
Далее Вы можете перейти в корзину для оформления заказа или закрыть это окно и продолжить покупки.

Перейти в корзину

Выбор модели техники

Выбрать