• О Компании
  • Оплата и Доставка
  • Помощь
  • Обратная связь
  • Контакты
  • Telegram
  • ВКонтакте
  • Telegram
  • ВКонтакте
  • Регистрация
  • Авторизация
Интернет магазин мотозапчастей PartsFor.ru
Москва и регионы России
  • Личный кабинет
    • Заказы
    • Оплаты
    • Отгрузки
    • Сообщения
    • Профиль
    • Выход
  • Оригинальные запчасти
    • Для мотоциклов
    • Yamaha
    • Honda
    • Suzuki
    • Kawasaki
    • Harley Davidson
    • Ducati
    • Can-Am
    • Aprilia
    • BMW
    • Triumph
    • Husaberg
    • Husqvarna
    • KTM
    • Indian
    • Victory
    • Slingshot
    • Для мотоциклов
    • Для квадроциклов
    • Для снегоходов
    • Для мотовездеходов
    • Для гидроциклов
    • Для лодочных моторов
    • Для катеров
    • Для судовых двигателей
    • Для генераторов
    • Для квадроциклов
    • Yamaha
    • Honda
    • Suzuki
    • Kawasaki
    • Arctic Cat
    • Can-Am
    • Polaris
    • KTM
    • Для снегоходов
    • Yamaha
    • Arctic Cat
    • Lynx
    • Ski-Doo
    • Polaris
    • Для генераторов
    • Для мотовездеходов
    • Yamaha
    • Honda
    • Suzuki
    • Kawasaki
    • Arctic Cat
    • Can-Am
    • Polaris
    • Polaris RZR
    • Для гидроциклов
    • Yamaha
    • Honda Marine
    • Kawasaki
    • Arctic Cat
    • Polaris
    • Sea-Doo
    • Для лодочных моторов
    • Для катеров
    • Для суд. двигателей
    • Для генераторов
    • Для лодочных моторов
    • Yamaha
    • Honda Marine
    • Suzuki Marine
    • Evinrude
    • Johnson
    • Nissan
    • Tohatsu
    • Mercury
    • Force
    • Mariner
    • Для катеров
    • Yamaha
    • Sea-Doo
    • Для суд. двигателей
    • Для спецтехники
  • Неоригинал, расходники
  • Заказ по каталогам
    • КАТАЛОГ PARTS UNLIMITED
  • Моторезина
  1. Главная
  2. Запчасти для квадроциклов
  3. Arctic Cat
  4. 2011
  5. 350 CR
Уважаемые покупатели оригинальных запчастей для техники ARCTIC CAT!
Сроки поставки запчастей марки ARCTIC CAT сейчас нормализовались и сравнимы со сроками поставки запчастей других американских марок. Однако у дилеров этой марки возможны сообщения про отказы и бэк-ордеры с большой задержкой – до месяца. Мы предупреждаем вас об этой особенности работы дилеров, приносим вам извинения за это неудобство и уверяем вас, что никак не можем повлиять на этот момент. Учитывайте пожалуйста это при заказе деталей!

350 CR (2011)

Оригинальные запчасти для квадроциклов Arctic Cat

Выбор узла

350 CR (2011)
  • 350 CR Воздухозаборник
    Воздухозаборник
  • 350 CR Вилки переключения передач
    Вилки переключения передач
  • 350 CR АКБ и стартер
    АКБ и стартер
  • 350 CR Руль
    Руль
  • 350 CR Цепь ГРМ
    Цепь ГРМ
  • 350 CR Гидравлический тормозной механизм
    Гидравлический тормозной механизм
  • 350 CR Карбюратор
    Карбюратор
  • 350 CR Магнето
    Магнето
  • 350 CR Корпус и патрубки охлаждения
    Корпус и патрубки охлаждения
  • 350 CR Масляный радиатор
    Масляный радиатор
  • 350 CR Крышки сцепления ,ремня и магнето
    Крышки сцепления ,ремня и магнето
  • 350 CR Масляный насос
    Масляный насос
  • 350 CR Балансирный вал
    Балансирный вал
  • 350 CR Заднее крыло ,багажник и фонари
    Заднее крыло ,багажник и фонари
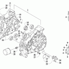
  • 350 CR Блок цилиндров
    Блок цилиндров
  • 350 CR Задний привод редуктор
    Задний привод редуктор
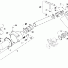
  • 350 CR Коленчатый вал и поршни
    Коленчатый вал и поршни
  • 350 CR Подвеска задняя
    Подвеска задняя
  • 350 CR Блок цилиндров
    Блок цилиндров
  • 350 CR Сидение
    Сидение
  • 350 CR Головка цилиндров и распределительный вал
    Головка цилиндров и распределительны й вал
  • 350 CR Вторичный привод в сборе
    Вторичный привод в сборе
  • 350 CR Вал привода
    Вал привода
  • 350 CR Трансмиссия
    Трансмиссия
  • 350 CR Двигатель и глушитель
    Двигатель и глушитель
  • 350 CR Рычаг переключения
    Рычаг переключения
  • 350 CR Рама ,бампера и защита
    Рама ,бампера и защита
  • 350 CR Бендикс стартера
    Бендикс стартера
  • 350 CR Front body, rack, and headlight assembly
    Front body, rack, and headlight assembly
  • 350 CR Рулевое управление
    Рулевое управление
  • 350 CR Передний редуктор
    Передний редуктор
  • 350 CR Трансмиссия
    Трансмиссия
  • 350 CR Подвеска передняя
    Подвеска передняя
  • 350 CR Колеса и покрышки
    Колеса и покрышки
  • 350 CR Топливный бак
    Топливный бак
  • 350 CR Жгут проводов
    Жгут проводов


  Информация
  • Новости
  • О Компании
  • Оплата и Доставка
  • Помощь
  • Обратная связь
  • Контакты
  OEM запчасти
  • Запчасти для мотоциклов
  • Запчасти для квадроциклов
  • Запчасти для снегоходов
  • Запчасти для мотовездеходов
  • Запчасти для гидроциклов
  • Запчасти для лодочных моторов
  Наши контакты
  • ИП Зуев Артем Павлович
  • г. Москва 2-я Хуторская улица, д.29, офис 214
  • Email: info@partsfor.ru

Тел: ‎8(495) 532-03-60
8(909) 958-46-33; 8(925) 200-16-98

* все разговоры записываются
С 10.00 до 19.00 ПН - ПТ

© 2026 Интернет магазин запчастей для мототехники ПартсФор.

  • PaymentGateway
  • PaymentGateway
Договор-оферта
Образец договора для юр.лиц
Пользовательское соглашение
Политика конфиденциальности

Товар добавлен в корзину

Выбранный товар добавлен в Вашу корзину.
Далее Вы можете перейти в корзину для оформления заказа или закрыть это окно и продолжить покупки.

Перейти в корзину

Выбор модели техники

Выбрать