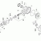
Prowler XTX (2009)

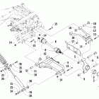
Оригинальные запчасти для квадроциклов Arctic Cat

Выбор узла

Prowler XTX (2009)