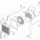
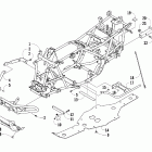
700 H1 (2009)

Оригинальные запчасти для квадроциклов Arctic Cat

Выбор узла

700 H1 (2009)