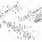
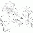
650 TRV (2009)

Оригинальные запчасти для квадроциклов Arctic Cat

Выбор узла

650 TRV (2009)