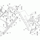
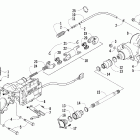
700 TRV (2008)

Оригинальные запчасти для квадроциклов Arctic Cat

Выбор узла

700 TRV (2008)