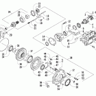
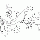
700 Diesel (2008)

Оригинальные запчасти для квадроциклов Arctic Cat

Выбор узла

700 Diesel (2008)