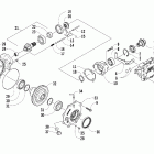
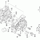
366 (2008)

Оригинальные запчасти для квадроциклов Arctic Cat

Выбор узла

366 (2008)