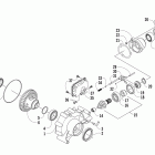
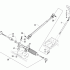
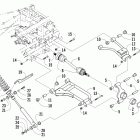
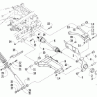
Prowler (2007)

Оригинальные запчасти для квадроциклов Arctic Cat

Выбор узла

Prowler (2007)