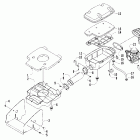
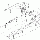
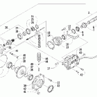
400 TRV (2006)

Оригинальные запчасти для квадроциклов Arctic Cat

Выбор узла

400 TRV (2006)