375 (2002)

Оригинальные запчасти для квадроциклов Arctic Cat

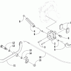
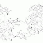
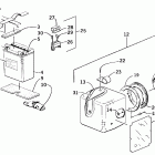
Выбор узла

375 (2002)

Arctic Cat 375 4x2 2002

Неоригинальные запчасти Parts Unlimited