• О Компании
  • Оплата и Доставка
  • Помощь
  • Обратная связь
  • Контакты
  • Telegram
  • ВКонтакте
  • Telegram
  • ВКонтакте
  • Регистрация
  • Авторизация
Интернет магазин мотозапчастей PartsFor.ru
Москва и регионы России
  • Личный кабинет
    • Заказы
    • Оплаты
    • Отгрузки
    • Сообщения
    • Профиль
    • Выход
  • Оригинальные запчасти
    • Для мотоциклов
    • Yamaha
    • Honda
    • Suzuki
    • Kawasaki
    • Harley Davidson
    • Ducati
    • Can-Am
    • Aprilia
    • BMW
    • Triumph
    • Husaberg
    • Husqvarna
    • KTM
    • Indian
    • Victory
    • Slingshot
    • Для мотоциклов
    • Для квадроциклов
    • Для снегоходов
    • Для мотовездеходов
    • Для гидроциклов
    • Для лодочных моторов
    • Для катеров
    • Для судовых двигателей
    • Для генераторов
    • Для квадроциклов
    • Yamaha
    • Honda
    • Suzuki
    • Kawasaki
    • Arctic Cat
    • Can-Am
    • Polaris
    • KTM
    • Для снегоходов
    • Yamaha
    • Arctic Cat
    • Lynx
    • Ski-Doo
    • Polaris
    • Для генераторов
    • Для мотовездеходов
    • Yamaha
    • Honda
    • Suzuki
    • Kawasaki
    • Arctic Cat
    • Can-Am
    • Polaris
    • Polaris RZR
    • Для гидроциклов
    • Yamaha
    • Honda Marine
    • Kawasaki
    • Arctic Cat
    • Polaris
    • Sea-Doo
    • Для лодочных моторов
    • Для катеров
    • Для суд. двигателей
    • Для генераторов
    • Для лодочных моторов
    • Yamaha
    • Honda Marine
    • Suzuki Marine
    • Evinrude
    • Johnson
    • Nissan
    • Tohatsu
    • Mercury
    • Force
    • Mariner
    • Для катеров
    • Yamaha
    • Sea-Doo
    • Для суд. двигателей
    • Для спецтехники
  • Неоригинал, расходники
  • Заказ по каталогам
    • КАТАЛОГ PARTS UNLIMITED
  • Моторезина
  1. Главная
  2. Запчасти для катеров
  3. Sea-Doo (Bombardier)
  4. 2004
  5. Challenger 2000 240 EFI/250 Optimax

Challenger 2000 240 EFI/250 Optimax (2004)

Оригинальные запчасти для катеров Sea-Doo (Bombardier)

Выбор узла

Challenger 2000 240 EFI/250 Optimax (2004)
  • Challenger 2000 240 EFI/250 Optimax Система охлаждения
    Система охлаждения
  • Challenger 2000 240 EFI/250 Optimax Передний капот
    Передний капот
  • Challenger 2000 240 EFI/250 Optimax 01- exhaust
    01- exhaust
  • Challenger 2000 240 EFI/250 Optimax Корпус
    Корпус
  • Challenger 2000 240 EFI/250 Optimax Топливная система
    Топливная система
  • Challenger 2000 240 EFI/250 Optimax 09- lower hull and ladder
    09- lower hull and ladder
  • Challenger 2000 240 EFI/250 Optimax Масляная система
    Масляная система
  • Challenger 2000 240 EFI/250 Optimax 09- seat (driver and passenger)
    09- seat (driver and passenger)
  • Challenger 2000 240 EFI/250 Optimax Ручное управления
    Ручное управления
  • Challenger 2000 240 EFI/250 Optimax Сидения (перед и зад.)
    Сидения (перед и зад.)
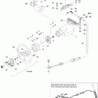
  • Challenger 2000 240 EFI/250 Optimax Вал водомета
    Вал водомета
  • Challenger 2000 240 EFI/250 Optimax 09- seat (platform and armrest)
    09- seat (platform and armrest)
  • Challenger 2000 240 EFI/250 Optimax Рулевая
    Рулевая
  • Challenger 2000 240 EFI/250 Optimax 09- ski shaft and glove box
    09- ski shaft and glove box
  • Challenger 2000 240 EFI/250 Optimax 09- body and accessories
    09- body and accessories
  • Challenger 2000 240 EFI/250 Optimax Электрика 1
    Электрика 1
  • Challenger 2000 240 EFI/250 Optimax Наклейки
    Наклейки
  • Challenger 2000 240 EFI/250 Optimax Электрика 2
    Электрика 2
  • Challenger 2000 240 EFI/250 Optimax 09- engine compartment and central cover
    09- engine compartment and central cover
  • Challenger 2000 240 EFI/250 Optimax Электрика
    Электрика


  Информация
  • Новости
  • О Компании
  • Оплата и Доставка
  • Помощь
  • Обратная связь
  • Контакты
  OEM запчасти
  • Запчасти для мотоциклов
  • Запчасти для квадроциклов
  • Запчасти для снегоходов
  • Запчасти для мотовездеходов
  • Запчасти для гидроциклов
  • Запчасти для лодочных моторов
  Наши контакты
  • ИП Зуев Артем Павлович
  • г. Москва 2-я Хуторская улица, д.29, офис 214
  • Email: info@partsfor.ru

Тел: ‎8(495) 532-03-60
8(909) 958-46-33; 8(925) 200-16-98

* все разговоры записываются
С 10.00 до 19.00 ПН - ПТ

© 2026 Интернет магазин запчастей для мототехники ПартсФор.

  • PaymentGateway
  • PaymentGateway
Договор-оферта
Образец договора для юр.лиц
Пользовательское соглашение
Политика конфиденциальности

Товар добавлен в корзину

Выбранный товар добавлен в Вашу корзину.
Далее Вы можете перейти в корзину для оформления заказа или закрыть это окно и продолжить покупки.

Перейти в корзину

Выбор модели техники

Выбрать