• О Компании
  • Оплата и Доставка
  • Помощь
  • Обратная связь
  • Контакты
  • Telegram
  • ВКонтакте
  • Telegram
  • ВКонтакте
  • Регистрация
  • Авторизация
Интернет магазин мотозапчастей PartsFor.ru
Москва и регионы России
  • Личный кабинет
    • Заказы
    • Оплаты
    • Отгрузки
    • Сообщения
    • Профиль
    • Выход
  • Оригинальные запчасти
    • Для мотоциклов
    • Yamaha
    • Honda
    • Suzuki
    • Kawasaki
    • Harley Davidson
    • Ducati
    • Can-Am
    • Aprilia
    • BMW
    • Triumph
    • Husaberg
    • Husqvarna
    • KTM
    • Indian
    • Victory
    • Slingshot
    • Для мотоциклов
    • Для квадроциклов
    • Для снегоходов
    • Для мотовездеходов
    • Для гидроциклов
    • Для лодочных моторов
    • Для катеров
    • Для судовых двигателей
    • Для генераторов
    • Для квадроциклов
    • Yamaha
    • Honda
    • Suzuki
    • Kawasaki
    • Arctic Cat
    • Can-Am
    • Polaris
    • KTM
    • Для снегоходов
    • Yamaha
    • Arctic Cat
    • Lynx
    • Ski-Doo
    • Polaris
    • Для генераторов
    • Для мотовездеходов
    • Yamaha
    • Honda
    • Suzuki
    • Kawasaki
    • Arctic Cat
    • Can-Am
    • Polaris
    • Polaris RZR
    • Для гидроциклов
    • Yamaha
    • Honda Marine
    • Kawasaki
    • Arctic Cat
    • Polaris
    • Sea-Doo
    • Для лодочных моторов
    • Для катеров
    • Для суд. двигателей
    • Для генераторов
    • Для лодочных моторов
    • Yamaha
    • Honda Marine
    • Suzuki Marine
    • Evinrude
    • Johnson
    • Nissan
    • Tohatsu
    • Mercury
    • Force
    • Mariner
    • Для катеров
    • Yamaha
    • Sea-Doo
    • Для суд. двигателей
    • Для спецтехники
  • Неоригинал, расходники
  • Заказ по каталогам
    • КАТАЛОГ PARTS UNLIMITED
  • Моторезина
  1. Главная
  2. Запчасти для гидроциклов
  3. Yamaha
  4. 2008
  5. FX SUPER HIGH OUTPUT-FX1800AGB/FX1800AGS

FX SUPER HIGH OUTPUT-FX1800AGB/FX1800AGS (2008)

Оригинальные запчасти для гидроциклов Yamaha

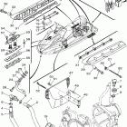
Выбор узла

FX SUPER HIGH OUTPUT-FX1800AGB/FX1800AGS (2008)
  • FX SUPER HIGH OUTPUT-FX1800AGB/FX1800AGS Bilge pump
    Bilge pump
  • FX SUPER HIGH OUTPUT-FX1800AGB/FX1800AGS Gunwale mat
    Gunwale mat
  • FX SUPER HIGH OUTPUT-FX1800AGB/FX1800AGS Breather oil
    Breather oil
  • FX SUPER HIGH OUTPUT-FX1800AGB/FX1800AGS Hull deck
    Hull deck
  • FX SUPER HIGH OUTPUT-FX1800AGB/FX1800AGS Трос управления
    Трос управления
  • FX SUPER HIGH OUTPUT-FX1800AGB/FX1800AGS Наклейки предупреждения
    Наклейки предупреждения
  • FX SUPER HIGH OUTPUT-FX1800AGB/FX1800AGS Картер
    Картер
  • FX SUPER HIGH OUTPUT-FX1800AGB/FX1800AGS Впускная система 1
    Впускная система 1
  • FX SUPER HIGH OUTPUT-FX1800AGB/FX1800AGS Коленчатый вал и Поршень
    Коленчатый вал и Поршень
  • FX SUPER HIGH OUTPUT-FX1800AGB/FX1800AGS Впускная система 2
    Впускная система 2
  • FX SUPER HIGH OUTPUT-FX1800AGB/FX1800AGS Цилиндр 1
    Цилиндр 1
  • FX SUPER HIGH OUTPUT-FX1800AGB/FX1800AGS Впускная система 3
    Впускная система 3
  • FX SUPER HIGH OUTPUT-FX1800AGB/FX1800AGS Цилиндр 2
    Цилиндр 2
  • FX SUPER HIGH OUTPUT-FX1800AGB/FX1800AGS Водомет 1
    Водомет 1
  • FX SUPER HIGH OUTPUT-FX1800AGB/FX1800AGS Электрика 1
    Электрика 1
  • FX SUPER HIGH OUTPUT-FX1800AGB/FX1800AGS Водомет 2
    Водомет 2
  • FX SUPER HIGH OUTPUT-FX1800AGB/FX1800AGS Электрика 2
    Электрика 2
  • FX SUPER HIGH OUTPUT-FX1800AGB/FX1800AGS Водомет 3
    Водомет 3
  • FX SUPER HIGH OUTPUT-FX1800AGB/FX1800AGS Электрика 3
    Электрика 3
  • FX SUPER HIGH OUTPUT-FX1800AGB/FX1800AGS Водомет 4
    Водомет 4
  • FX SUPER HIGH OUTPUT-FX1800AGB/FX1800AGS Капот
    Капот
  • FX SUPER HIGH OUTPUT-FX1800AGB/FX1800AGS Масляный картер
    Масляный картер
  • FX SUPER HIGH OUTPUT-FX1800AGB/FX1800AGS Капот 2
    Капот 2
  • FX SUPER HIGH OUTPUT-FX1800AGB/FX1800AGS Маслянный поддон
    Маслянный поддон
  • FX SUPER HIGH OUTPUT-FX1800AGB/FX1800AGS Крепление двигателя
    Крепление двигателя
  • FX SUPER HIGH OUTPUT-FX1800AGB/FX1800AGS Масляный насос
    Масляный насос
  • FX SUPER HIGH OUTPUT-FX1800AGB/FX1800AGS Выхлопная система 1
    Выхлопная система 1
  • FX SUPER HIGH OUTPUT-FX1800AGB/FX1800AGS Ремонтные комплекты 1
    Ремонтные комплекты 1
  • FX SUPER HIGH OUTPUT-FX1800AGB/FX1800AGS Выхлопная система 2
    Выхлопная система 2
  • FX SUPER HIGH OUTPUT-FX1800AGB/FX1800AGS Сидение
    Сидение
  • FX SUPER HIGH OUTPUT-FX1800AGB/FX1800AGS Выхлопная система 3
    Выхлопная система 3
  • FX SUPER HIGH OUTPUT-FX1800AGB/FX1800AGS Стартер электрический
    Стартер электрический
  • FX SUPER HIGH OUTPUT-FX1800AGB/FX1800AGS Топливный бак
    Топливный бак
  • FX SUPER HIGH OUTPUT-FX1800AGB/FX1800AGS Рулевое управление 1
    Рулевое управление 1
  • FX SUPER HIGH OUTPUT-FX1800AGB/FX1800AGS Генератор
    Генератор
  • FX SUPER HIGH OUTPUT-FX1800AGB/FX1800AGS Рулевое управление 2
    Рулевое управление 2
  • FX SUPER HIGH OUTPUT-FX1800AGB/FX1800AGS Наклейки
    Наклейки
  • FX SUPER HIGH OUTPUT-FX1800AGB/FX1800AGS Клапана
    Клапана
  • FX SUPER HIGH OUTPUT-FX1800AGB/FX1800AGS Вентиляция
    Вентиляция


  Информация
  • Новости
  • О Компании
  • Оплата и Доставка
  • Помощь
  • Обратная связь
  • Контакты
  OEM запчасти
  • Запчасти для мотоциклов
  • Запчасти для квадроциклов
  • Запчасти для снегоходов
  • Запчасти для мотовездеходов
  • Запчасти для гидроциклов
  • Запчасти для лодочных моторов
  Наши контакты
  • ИП Зуев Артем Павлович
  • г. Москва 2-я Хуторская улица, д.29, офис 214
  • Email: info@partsfor.ru

Тел: ‎8(495) 532-03-60
8(909) 958-46-33; 8(925) 200-16-98

* все разговоры записываются
С 10.00 до 19.00 ПН - ПТ

© 2026 Интернет магазин запчастей для мототехники ПартсФор.

  • PaymentGateway
  • PaymentGateway
Договор-оферта
Образец договора для юр.лиц
Пользовательское соглашение
Политика конфиденциальности

Товар добавлен в корзину

Выбранный товар добавлен в Вашу корзину.
Далее Вы можете перейти в корзину для оформления заказа или закрыть это окно и продолжить покупки.

Перейти в корзину

Выбор модели техники

Выбрать