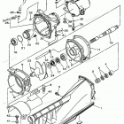
Yamaha WVT 760 WaveVenture 1997

Неоригинальные запчасти Parts Unlimited