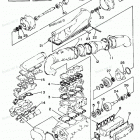
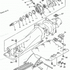
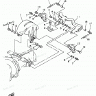
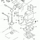
Yamaha WVT 1100 WaveVenture 1996

Неоригинальные запчасти Parts Unlimited