• О Компании
  • Оплата и Доставка
  • Помощь
  • Обратная связь
  • Контакты
  • Telegram
  • ВКонтакте
  • Telegram
  • ВКонтакте
  • Регистрация
  • Авторизация
Интернет магазин мотозапчастей PartsFor.ru
Москва и регионы России
  • Личный кабинет
    • Заказы
    • Оплаты
    • Отгрузки
    • Сообщения
    • Профиль
    • Выход
  • Оригинальные запчасти
    • Для мотоциклов
    • Yamaha
    • Honda
    • Suzuki
    • Kawasaki
    • Harley Davidson
    • Ducati
    • Can-Am
    • Aprilia
    • BMW
    • Triumph
    • Husaberg
    • Husqvarna
    • KTM
    • Indian
    • Victory
    • Slingshot
    • Для мотоциклов
    • Для квадроциклов
    • Для снегоходов
    • Для мотовездеходов
    • Для гидроциклов
    • Для лодочных моторов
    • Для катеров
    • Для судовых двигателей
    • Для генераторов
    • Для квадроциклов
    • Yamaha
    • Honda
    • Suzuki
    • Kawasaki
    • Arctic Cat
    • Can-Am
    • Polaris
    • KTM
    • Для снегоходов
    • Yamaha
    • Arctic Cat
    • Lynx
    • Ski-Doo
    • Polaris
    • Для генераторов
    • Для мотовездеходов
    • Yamaha
    • Honda
    • Suzuki
    • Kawasaki
    • Arctic Cat
    • Can-Am
    • Polaris
    • Polaris RZR
    • Для гидроциклов
    • Yamaha
    • Honda Marine
    • Kawasaki
    • Arctic Cat
    • Polaris
    • Sea-Doo
    • Для лодочных моторов
    • Для катеров
    • Для суд. двигателей
    • Для генераторов
    • Для лодочных моторов
    • Yamaha
    • Honda Marine
    • Suzuki Marine
    • Evinrude
    • Johnson
    • Nissan
    • Tohatsu
    • Mercury
    • Force
    • Mariner
    • Для катеров
    • Yamaha
    • Sea-Doo
    • Для суд. двигателей
    • Для спецтехники
  • Неоригинал, расходники
  • Заказ по каталогам
    • КАТАЛОГ PARTS UNLIMITED
  • Моторезина
  1. Главная
  2. Запчасти для гидроциклов
  3. Yamaha
  4. 1993
  5. SUPER JET - SJ650R

SUPER JET - SJ650R (1993)

Оригинальные запчасти для гидроциклов Yamaha

Выбор узла

SUPER JET - SJ650R (1993)
  • SUPER JET - SJ650R Воздушный фильтр
    Воздушный фильтр
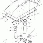
  • SUPER JET - SJ650R Топливный бак
    Топливный бак
  • SUPER JET - SJ650R Bow gunwale mat
    Bow gunwale mat
  • SUPER JET - SJ650R Комплект прокладок
    Комплект прокладок
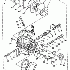
  • SUPER JET - SJ650R Карбюратор
    Карбюратор
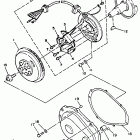
  • SUPER JET - SJ650R Генератор
    Генератор
  • SUPER JET - SJ650R Трос управления
    Трос управления
  • SUPER JET - SJ650R Graphic tool
    Graphic tool
  • SUPER JET - SJ650R Коленчатый вал и Поршень
    Коленчатый вал и Поршень
  • SUPER JET - SJ650R Hull deck 1
    Hull deck 1
  • SUPER JET - SJ650R Блок цилиндров
    Блок цилиндров
  • SUPER JET - SJ650R Hull deck 2
    Hull deck 2
  • SUPER JET - SJ650R Электрика 1
    Электрика 1
  • SUPER JET - SJ650R Hull deck 3
    Hull deck 3
  • SUPER JET - SJ650R Электрика 2
    Электрика 2
  • SUPER JET - SJ650R Jet unit
    Jet unit
  • SUPER JET - SJ650R Выхлопная система
    Выхлопная система
  • SUPER JET - SJ650R Pole pivot
    Pole pivot
  • SUPER JET - SJ650R Выхлопная система 1
    Выхлопная система 1
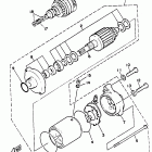
  • SUPER JET - SJ650R Стартер электрический
    Стартер электрический
  • SUPER JET - SJ650R Топливный фильтр
    Топливный фильтр
  • SUPER JET - SJ650R Рулевое управление
    Рулевое управление
  • SUPER JET - SJ650R Steering pole
    Steering pole


  Информация
  • Новости
  • О Компании
  • Оплата и Доставка
  • Помощь
  • Обратная связь
  • Контакты
  OEM запчасти
  • Запчасти для мотоциклов
  • Запчасти для квадроциклов
  • Запчасти для снегоходов
  • Запчасти для мотовездеходов
  • Запчасти для гидроциклов
  • Запчасти для лодочных моторов
  Наши контакты
  • ИП Зуев Артем Павлович
  • г. Москва 2-я Хуторская улица, д.29, офис 214
  • Email: info@partsfor.ru

Тел: ‎8(495) 532-03-60
8(909) 958-46-33; 8(925) 200-16-98

* все разговоры записываются
С 10.00 до 19.00 ПН - ПТ

© 2026 Интернет магазин запчастей для мототехники ПартсФор.

  • PaymentGateway
  • PaymentGateway
Договор-оферта
Образец договора для юр.лиц
Пользовательское соглашение
Политика конфиденциальности

Товар добавлен в корзину

Выбранный товар добавлен в Вашу корзину.
Далее Вы можете перейти в корзину для оформления заказа или закрыть это окно и продолжить покупки.

Перейти в корзину

Выбор модели техники

Выбрать