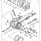
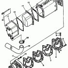
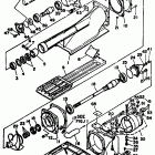
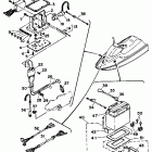
Yamaha WR 500 WaveRunner 1991

Неоригинальные запчасти Parts Unlimited