• О Компании
  • Оплата и Доставка
  • Помощь
  • Обратная связь
  • Контакты
  • Telegram
  • ВКонтакте
  • Telegram
  • ВКонтакте
  • Регистрация
  • Авторизация
Интернет магазин мотозапчастей PartsFor.ru
Москва и регионы России
  • Личный кабинет
    • Заказы
    • Оплаты
    • Отгрузки
    • Сообщения
    • Профиль
    • Выход
  • Оригинальные запчасти
    • Для мотоциклов
    • Yamaha
    • Honda
    • Suzuki
    • Kawasaki
    • Harley Davidson
    • Ducati
    • Can-Am
    • Aprilia
    • BMW
    • Triumph
    • Husaberg
    • Husqvarna
    • KTM
    • Indian
    • Victory
    • Slingshot
    • Для мотоциклов
    • Для квадроциклов
    • Для снегоходов
    • Для мотовездеходов
    • Для гидроциклов
    • Для лодочных моторов
    • Для катеров
    • Для судовых двигателей
    • Для генераторов
    • Для квадроциклов
    • Yamaha
    • Honda
    • Suzuki
    • Kawasaki
    • Arctic Cat
    • Can-Am
    • Polaris
    • KTM
    • Для снегоходов
    • Yamaha
    • Arctic Cat
    • Lynx
    • Ski-Doo
    • Polaris
    • Для генераторов
    • Для мотовездеходов
    • Yamaha
    • Honda
    • Suzuki
    • Kawasaki
    • Arctic Cat
    • Can-Am
    • Polaris
    • Polaris RZR
    • Для гидроциклов
    • Yamaha
    • Honda Marine
    • Kawasaki
    • Arctic Cat
    • Polaris
    • Sea-Doo
    • Для лодочных моторов
    • Для катеров
    • Для суд. двигателей
    • Для генераторов
    • Для лодочных моторов
    • Yamaha
    • Honda Marine
    • Suzuki Marine
    • Evinrude
    • Johnson
    • Nissan
    • Tohatsu
    • Mercury
    • Force
    • Mariner
    • Для катеров
    • Yamaha
    • Sea-Doo
    • Для суд. двигателей
    • Для спецтехники
  • Неоригинал, расходники
  • Заказ по каталогам
    • КАТАЛОГ PARTS UNLIMITED
  • Моторезина
  1. Главная
  2. Запчасти для гидроциклов
  3. Sea-Doo (Bombardier)
  4. 2008
  5. GTX STD 1503 NA

GTX STD 1503 NA (2008)

Оригинальные запчасти для гидроциклов Sea-Doo (Bombardier)

Выбор узла

GTX STD 1503 NA (2008)
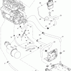
  • GTX STD 1503 NA Система охлаждения
    Система охлаждения
  • GTX STD 1503 NA Связь рулевого управления
    Связь рулевого управления
  • GTX STD 1503 NA Коленвал и поршни
    Коленвал и поршни
  • GTX STD 1503 NA Рулевая
    Рулевая
  • GTX STD 1503 NA Головка цилиндров
    Головка цилиндров
  • GTX STD 1503 NA Корпус передняя часть
    Корпус передняя часть
  • GTX STD 1503 NA Опора двигателя и глушитель воздухозаборника
    Опора двигателя и глушитель воздухозаборника
  • GTX STD 1503 NA Корпус задняя часть
    Корпус задняя часть
  • GTX STD 1503 NA Блок двигателя
    Блок двигателя
  • GTX STD 1503 NA Наклейки
    Наклейки
  • GTX STD 1503 NA Глушитель
    Глушитель
  • GTX STD 1503 NA Передний капот
    Передний капот
  • GTX STD 1503 NA 02- air intake manifold and throttle body v1 sea-doo
    02- air intake manifold and throttle body v1 sea-doo
  • GTX STD 1503 NA Корпус
    Корпус
  • GTX STD 1503 NA Топливная система
    Топливная система
  • GTX STD 1503 NA Сиденье
    Сиденье
  • GTX STD 1503 NA Масляный сепаратор
    Масляный сепаратор
  • GTX STD 1503 NA Вентиляция
    Вентиляция
  • GTX STD 1503 NA Крышка картера и генератор
    Крышка картера и генератор
  • GTX STD 1503 NA Электрика 1
    Электрика 1
  • GTX STD 1503 NA Вал водомета
    Вал водомета
  • GTX STD 1503 NA Электрическая проводка 2
    Электрическая проводка 2
  • GTX STD 1503 NA Водомет
    Водомет
  • GTX STD 1503 NA Электрика
    Электрика
  • GTX STD 1503 NA Задний ход
    Задний ход
  • GTX STD 1503 NA Жгут проводов двигателя
    Жгут проводов двигателя


  Информация
  • Новости
  • О Компании
  • Оплата и Доставка
  • Помощь
  • Обратная связь
  • Контакты
  OEM запчасти
  • Запчасти для мотоциклов
  • Запчасти для квадроциклов
  • Запчасти для снегоходов
  • Запчасти для мотовездеходов
  • Запчасти для гидроциклов
  • Запчасти для лодочных моторов
  Наши контакты
  • ИП Зуев Артем Павлович
  • г. Москва 2-я Хуторская улица, д.29, офис 214
  • Email: info@partsfor.ru

Тел: ‎8(495) 532-03-60
8(909) 958-46-33; 8(925) 200-16-98

* все разговоры записываются
С 10.00 до 19.00 ПН - ПТ

© 2026 Интернет магазин запчастей для мототехники ПартсФор.

  • PaymentGateway
  • PaymentGateway
Договор-оферта
Образец договора для юр.лиц
Пользовательское соглашение
Политика конфиденциальности

Товар добавлен в корзину

Выбранный товар добавлен в Вашу корзину.
Далее Вы можете перейти в корзину для оформления заказа или закрыть это окно и продолжить покупки.

Перейти в корзину

Выбор модели техники

Выбрать