• О Компании
  • Оплата и Доставка
  • Помощь
  • Обратная связь
  • Контакты
  • Telegram
  • ВКонтакте
  • Telegram
  • ВКонтакте
  • Регистрация
  • Авторизация
Интернет магазин мотозапчастей PartsFor.ru
Москва и регионы России
  • Личный кабинет
    • Заказы
    • Оплаты
    • Отгрузки
    • Сообщения
    • Профиль
    • Выход
  • Оригинальные запчасти
    • Для мотоциклов
    • Yamaha
    • Honda
    • Suzuki
    • Kawasaki
    • Harley Davidson
    • Ducati
    • Can-Am
    • Aprilia
    • BMW
    • Triumph
    • Husaberg
    • Husqvarna
    • KTM
    • Indian
    • Victory
    • Slingshot
    • Для мотоциклов
    • Для квадроциклов
    • Для снегоходов
    • Для мотовездеходов
    • Для гидроциклов
    • Для лодочных моторов
    • Для катеров
    • Для судовых двигателей
    • Для генераторов
    • Для квадроциклов
    • Yamaha
    • Honda
    • Suzuki
    • Kawasaki
    • Arctic Cat
    • Can-Am
    • Polaris
    • KTM
    • Для снегоходов
    • Yamaha
    • Arctic Cat
    • Lynx
    • Ski-Doo
    • Polaris
    • Для генераторов
    • Для мотовездеходов
    • Yamaha
    • Honda
    • Suzuki
    • Kawasaki
    • Arctic Cat
    • Can-Am
    • Polaris
    • Polaris RZR
    • Для гидроциклов
    • Yamaha
    • Honda Marine
    • Kawasaki
    • Arctic Cat
    • Polaris
    • Sea-Doo
    • Для лодочных моторов
    • Для катеров
    • Для суд. двигателей
    • Для генераторов
    • Для лодочных моторов
    • Yamaha
    • Honda Marine
    • Suzuki Marine
    • Evinrude
    • Johnson
    • Nissan
    • Tohatsu
    • Mercury
    • Force
    • Mariner
    • Для катеров
    • Yamaha
    • Sea-Doo
    • Для суд. двигателей
    • Для спецтехники
  • Неоригинал, расходники
  • Заказ по каталогам
    • КАТАЛОГ PARTS UNLIMITED
  • Моторезина
  1. Главная
  2. Запчасти для гидроциклов
  3. Sea-Doo (Bombardier)
  4. 1998
  5. GTS, 5819

GTS, 5819 (1998)

Оригинальные запчасти для гидроциклов Sea-Doo (Bombardier)

Выбор узла

GTS, 5819 (1998)
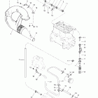
  • GTS, 5819 Система охлаждения
    Система охлаждения
  • GTS, 5819 Силовая водометная установка
    Силовая водометная установка
  • GTS, 5819 Картер и ротационный клапан
    Картер и ротационный клапан
  • GTS, 5819 Задний ход
    Задний ход
  • GTS, 5819 Коленвал и поршни
    Коленвал и поршни
  • GTS, 5819 Рулевая система
    Рулевая система
  • GTS, 5819 Цилинрд
    Цилинрд
  • GTS, 5819 09- accessories
    09- accessories
  • GTS, 5819 Крепление двигателя и глушитель
    Крепление двигателя и глушитель
  • GTS, 5819 Кузов
    Кузов
  • GTS, 5819 Система забора воздуха
    Система забора воздуха
  • GTS, 5819 Наклейки
    Наклейки
  • GTS, 5819 Карбюратор
    Карбюратор
  • GTS, 5819 Передний капот
    Передний капот
  • GTS, 5819 Топливная система
    Топливная система
  • GTS, 5819 Сидение и кожух двигателя
    Сидение и кожух двигателя
  • GTS, 5819 Масляная система
    Масляная система
  • GTS, 5819 Электрика
    Электрика
  • GTS, 5819 Впрысковая масляная системы, масляный насос, ротационный...
    Впрысковая масляная системы, масляный насос, ротационный...
  • GTS, 5819 Электрический короб
    Электрический короб
  • GTS, 5819 Магнето
    Магнето
  • GTS, 5819 Жгут проводов
    Жгут проводов
  • GTS, 5819 Стартер
    Стартер
  • GTS, 5819 Электрика
    Электрика
  • GTS, 5819 Приводная система
    Приводная система
  • GTS, 5819 Электрические концевики
    Электрические концевики


  Информация
  • Новости
  • О Компании
  • Оплата и Доставка
  • Помощь
  • Обратная связь
  • Контакты
  OEM запчасти
  • Запчасти для мотоциклов
  • Запчасти для квадроциклов
  • Запчасти для снегоходов
  • Запчасти для мотовездеходов
  • Запчасти для гидроциклов
  • Запчасти для лодочных моторов
  Наши контакты
  • ИП Зуев Артем Павлович
  • г. Москва 2-я Хуторская улица, д.29, офис 214
  • Email: info@partsfor.ru

Тел: ‎8(495) 532-03-60
8(909) 958-46-33; 8(925) 200-16-98

* все разговоры записываются
С 10.00 до 19.00 ПН - ПТ

© 2026 Интернет магазин запчастей для мототехники ПартсФор.

  • PaymentGateway
  • PaymentGateway
Договор-оферта
Образец договора для юр.лиц
Пользовательское соглашение
Политика конфиденциальности

Товар добавлен в корзину

Выбранный товар добавлен в Вашу корзину.
Далее Вы можете перейти в корзину для оформления заказа или закрыть это окно и продолжить покупки.

Перейти в корзину

Выбор модели техники

Выбрать