• О Компании
  • Оплата и Доставка
  • Помощь
  • Обратная связь
  • Контакты
  • Telegram
  • ВКонтакте
  • Telegram
  • ВКонтакте
  • Регистрация
  • Авторизация
Интернет магазин мотозапчастей PartsFor.ru
Москва и регионы России
  • Личный кабинет
    • Заказы
    • Оплаты
    • Отгрузки
    • Сообщения
    • Профиль
    • Выход
  • Оригинальные запчасти
    • Для мотоциклов
    • Yamaha
    • Honda
    • Suzuki
    • Kawasaki
    • Harley Davidson
    • Ducati
    • Can-Am
    • Aprilia
    • BMW
    • Triumph
    • Husaberg
    • Husqvarna
    • KTM
    • Indian
    • Victory
    • Slingshot
    • Для мотоциклов
    • Для квадроциклов
    • Для снегоходов
    • Для мотовездеходов
    • Для гидроциклов
    • Для лодочных моторов
    • Для катеров
    • Для судовых двигателей
    • Для генераторов
    • Для квадроциклов
    • Yamaha
    • Honda
    • Suzuki
    • Kawasaki
    • Arctic Cat
    • Can-Am
    • Polaris
    • KTM
    • Для снегоходов
    • Yamaha
    • Arctic Cat
    • Lynx
    • Ski-Doo
    • Polaris
    • Для генераторов
    • Для мотовездеходов
    • Yamaha
    • Honda
    • Suzuki
    • Kawasaki
    • Arctic Cat
    • Can-Am
    • Polaris
    • Polaris RZR
    • Для гидроциклов
    • Yamaha
    • Honda Marine
    • Kawasaki
    • Arctic Cat
    • Polaris
    • Sea-Doo
    • Для лодочных моторов
    • Для катеров
    • Для суд. двигателей
    • Для генераторов
    • Для лодочных моторов
    • Yamaha
    • Honda Marine
    • Suzuki Marine
    • Evinrude
    • Johnson
    • Nissan
    • Tohatsu
    • Mercury
    • Force
    • Mariner
    • Для катеров
    • Yamaha
    • Sea-Doo
    • Для суд. двигателей
    • Для спецтехники
  • Неоригинал, расходники
  • Заказ по каталогам
    • КАТАЛОГ PARTS UNLIMITED
  • Моторезина
  1. Главная
  2. Запчасти для гидроциклов
  3. Honda Marine
  4. 2008
  5. ARX1500T3

ARX1500T3 (2008)

Оригинальные запчасти для гидроциклов Honda Marine

Выбор узла

ARX1500T3 (2008)
  • ARX1500T3 Воздухозаборник
    Воздухозаборник
  • ARX1500T3 Meter (gps)
    Meter (gps)
  • ARX1500T3 Балансирный вал
    Балансирный вал
  • ARX1500T3 Зеркало
    Зеркало
  • ARX1500T3 АКБ
    АКБ
  • ARX1500T3 Глушитель
    Глушитель
  • ARX1500T3 Bilge strainer
    Bilge strainer
  • ARX1500T3 Картер маслянный
    Картер маслянный
  • ARX1500T3 Boarding step
    Boarding step
  • ARX1500T3 Oil tank cover - front cover
    Oil tank cover - front cover
  • ARX1500T3 Цепь,натяжитель
    Цепь,натяжитель
  • ARX1500T3 Post cover
    Post cover
  • ARX1500T3 Распредвал -клапана
    Распредвал -клапана
  • ARX1500T3 Protector - floor mat
    Protector - floor mat
  • ARX1500T3 Предупредительные таблички
    Предупредительные таблички
  • ARX1500T3 Rear grip - rear tray
    Rear grip - rear tray
  • ARX1500T3 Картер
    Картер
  • ARX1500T3 Reverse lever - reverse cable
    Reverse lever - reverse cable
  • ARX1500T3 Коленвал,поршни
    Коленвал,поршни
  • ARX1500T3 Ride plate
    Ride plate
  • ARX1500T3 Головка цилиндра
    Головка цилиндра
  • ARX1500T3 Сидение
    Сидение
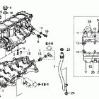
  • ARX1500T3 Крышка головки цилиндров
    Крышка головки цилиндров
  • ARX1500T3 Side cover - side panel
    Side cover - side panel
  • ARX1500T3 Крепление двигателя
    Крепление двигателя
  • ARX1500T3 Sponson - air vent tube
    Sponson - air vent tube
  • ARX1500T3 Выпускной коллектор
    Выпускной коллектор
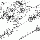
  • ARX1500T3 Муфта стартера
    Муфта стартера
  • ARX1500T3 Front hood
    Front hood
  • ARX1500T3 Стартер электрический
    Стартер электрический
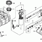
  • ARX1500T3 Топливный бак
    Топливный бак
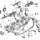
  • ARX1500T3 Рулевой вал
    Рулевой вал
  • ARX1500T3 Генератор
    Генератор
  • ARX1500T3 Троса , переключатели
    Троса , переключатели
  • ARX1500T3 Руль
    Руль
  • ARX1500T3 Корпус Дросселя
    Корпус Дросселя
  • ARX1500T3 Impeller - driveshaft
    Impeller - driveshaft
  • ARX1500T3 Инструмент
    Инструмент
  • ARX1500T3 Впускной трубопровод
    Впускной трубопровод
  • ARX1500T3 Turbocharger
    Turbocharger
  • ARX1500T3 Intercooler
    Intercooler
  • ARX1500T3 Water hose (1)
    Water hose (1)
  • ARX1500T3 Наклейки
    Наклейки
  • ARX1500T3 Water hose (2)
    Water hose (2)
  • ARX1500T3 Спидометр
    Спидометр
  • ARX1500T3 Wire harness (engine)
    Wire harness (engine)
  • ARX1500T3 Wire harness (frame)
    Wire harness (frame)


  Информация
  • Новости
  • О Компании
  • Оплата и Доставка
  • Помощь
  • Обратная связь
  • Контакты
  OEM запчасти
  • Запчасти для мотоциклов
  • Запчасти для квадроциклов
  • Запчасти для снегоходов
  • Запчасти для мотовездеходов
  • Запчасти для гидроциклов
  • Запчасти для лодочных моторов
  Наши контакты
  • ИП Зуев Артем Павлович
  • г. Москва 2-я Хуторская улица, д.29, офис 214
  • Email: info@partsfor.ru

Тел: ‎8(495) 532-03-60
8(909) 958-46-33; 8(925) 200-16-98

* все разговоры записываются
С 10.00 до 19.00 ПН - ПТ

© 2026 Интернет магазин запчастей для мототехники ПартсФор.

  • PaymentGateway
  • PaymentGateway
Договор-оферта
Образец договора для юр.лиц
Пользовательское соглашение
Политика конфиденциальности

Товар добавлен в корзину

Выбранный товар добавлен в Вашу корзину.
Далее Вы можете перейти в корзину для оформления заказа или закрыть это окно и продолжить покупки.

Перейти в корзину

Выбор модели техники

Выбрать