• О Компании
  • Оплата и Доставка
  • Помощь
  • Обратная связь
  • Контакты
  • Telegram
  • ВКонтакте
  • Telegram
  • ВКонтакте
  • Регистрация
  • Авторизация
Интернет магазин мотозапчастей PartsFor.ru
Москва и регионы России
  • Личный кабинет
    • Заказы
    • Оплаты
    • Отгрузки
    • Сообщения
    • Профиль
    • Выход
  • Оригинальные запчасти
    • Для мотоциклов
    • Yamaha
    • Honda
    • Suzuki
    • Kawasaki
    • Harley Davidson
    • Ducati
    • Can-Am
    • Aprilia
    • BMW
    • Triumph
    • Husaberg
    • Husqvarna
    • KTM
    • Indian
    • Victory
    • Slingshot
    • Для мотоциклов
    • Для квадроциклов
    • Для снегоходов
    • Для мотовездеходов
    • Для гидроциклов
    • Для лодочных моторов
    • Для катеров
    • Для судовых двигателей
    • Для генераторов
    • Для квадроциклов
    • Yamaha
    • Honda
    • Suzuki
    • Kawasaki
    • Arctic Cat
    • Can-Am
    • Polaris
    • KTM
    • Для снегоходов
    • Yamaha
    • Arctic Cat
    • Lynx
    • Ski-Doo
    • Polaris
    • Для генераторов
    • Для мотовездеходов
    • Yamaha
    • Honda
    • Suzuki
    • Kawasaki
    • Arctic Cat
    • Can-Am
    • Polaris
    • Polaris RZR
    • Для гидроциклов
    • Yamaha
    • Honda Marine
    • Kawasaki
    • Arctic Cat
    • Polaris
    • Sea-Doo
    • Для лодочных моторов
    • Для катеров
    • Для суд. двигателей
    • Для генераторов
    • Для лодочных моторов
    • Yamaha
    • Honda Marine
    • Suzuki Marine
    • Evinrude
    • Johnson
    • Nissan
    • Tohatsu
    • Mercury
    • Force
    • Mariner
    • Для катеров
    • Yamaha
    • Sea-Doo
    • Для суд. двигателей
    • Для спецтехники
  • Неоригинал, расходники
  • Заказ по каталогам
    • КАТАЛОГ PARTS UNLIMITED
  • Моторезина
  1. Главная
  2. Запчасти для генераторов
  3. Honda
  4. Все
  5. EU7000ISN

EU7000ISN (Все)

Оригинальные запчасти для генераторов Honda

Выбор узла

EU7000ISN (Все)
  • EU7000ISN Воздухозаборник
    Воздухозаборник
  • EU7000ISN Топливный бак
    Топливный бак
  • EU7000ISN Breather heater
    Breather heater
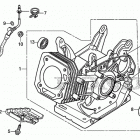
  • EU7000ISN Генератор
    Генератор
  • EU7000ISN Распределительный вал
    Распределительный вал
  • EU7000ISN Handle@wheel
    Handle@wheel
  • EU7000ISN Адсорбер, системы улавливания паров топлива
    Адсорбер, системы улавливания паров топлива
  • EU7000ISN Hanger kit
    Hanger kit
  • EU7000ISN Control panel (1)
    Control panel (1)
  • EU7000ISN Катушка зажигания
    Катушка зажигания
  • EU7000ISN Боковые крышки
    Боковые крышки
  • EU7000ISN Inverter
    Inverter
  • EU7000ISN Коленвал
    Коленвал
  • EU7000ISN Наклейки
    Наклейки
  • EU7000ISN Цилиндры
    Цилиндры
  • EU7000ISN Maintenance cover
    Maintenance cover
  • EU7000ISN Головка цилиндра
    Головка цилиндра
  • EU7000ISN Глушитель
    Глушитель
  • EU7000ISN Engine wire harness
    Engine wire harness
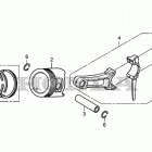
  • EU7000ISN Поршни и шатуны
    Поршни и шатуны
  • EU7000ISN Маховик
    Маховик
  • EU7000ISN Ручной стартер
    Ручной стартер
  • EU7000ISN Рама
    Рама
  • EU7000ISN Shroud@fan cover
    Shroud@fan cover
  • EU7000ISN Front cover@rear cover
    Front cover@rear cover
  • EU7000ISN Стартер
    Стартер
  • EU7000ISN Корпус Дросселя
    Корпус Дросселя


  Информация
  • Новости
  • О Компании
  • Оплата и Доставка
  • Помощь
  • Обратная связь
  • Контакты
  OEM запчасти
  • Запчасти для мотоциклов
  • Запчасти для квадроциклов
  • Запчасти для снегоходов
  • Запчасти для мотовездеходов
  • Запчасти для гидроциклов
  • Запчасти для лодочных моторов
  Наши контакты
  • ИП Зуев Артем Павлович
  • г. Москва 2-я Хуторская улица, д.29, офис 214
  • Email: info@partsfor.ru

Тел: ‎8(495) 532-03-60
8(909) 958-46-33; 8(925) 200-16-98

* все разговоры записываются
С 10.00 до 19.00 ПН - ПТ

© 2026 Интернет магазин запчастей для мототехники ПартсФор.

  • PaymentGateway
  • PaymentGateway
Договор-оферта
Образец договора для юр.лиц
Пользовательское соглашение
Политика конфиденциальности

Товар добавлен в корзину

Выбранный товар добавлен в Вашу корзину.
Далее Вы можете перейти в корзину для оформления заказа или закрыть это окно и продолжить покупки.

Перейти в корзину

Выбор модели техники

Выбрать