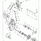
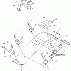
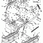
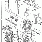
VMAX VX 700 SXA (1997)

Оригинальные запчасти для снегоходов Yamaha

Выбор узла

VMAX VX 700 SXA (1997)